Product Summary
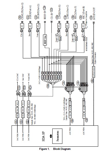
The ALC662-GR is a 5.1 Channel High Definition Audio Codec designed for Windows Vista desktop and mobile PCs. Its performance and functionality meet Microsoft Windows Vista (WLP 3.08) premium requirements. The ALC662-GR features three stereo DACs, two stereo ADCs, and legacy analog input to analog output mixing, to provide a fully-integrated audio solution for multimedia PC systems.
Parametrics
ALC662-GR absolute maximum ratings: (1)Power supply: digital power for core, 2.7minimum, 3.3 typical, 3.6 maximum V; (2)Ambient operating temperature: +70℃; (3)Storage temperature: +125℃; (4)Digital pins: 3500V; (5)Analog pins: 4000V.
Features
ALC662-GR features: (1)Meets performance requirements for Microsoft WLP 3.08 Vista premium and mobile PCs; (2)Six channel DAC supports 16/20/24-bit PCM format for 5.1 channel audio solution; (3)Two stereo ADC support 16/20-bit PCM format ; (4)All DAC support independent 44.1k/48k/96kHz sample rate ; (5)All ADC support independent 44.1k/48k/96kHz sample rate ; (6)Supports 44.1k/48k/96kHz S/PDIF output; (7)All analog jack port are stereo input and output re-tasking; (8)Analog differential CD input; (9)Supports analog PCBEEP input; (10)Integrates digital BEEP generator
Diagrams

![]() |
![]() ALC60421R4 |
![]() |
![]() POWER SUP AC-DC 6-42V 1.4A 58.8W |
![]() Data Sheet |
![]()
|
|
||||||||||||
![]() |
![]() ALC60481R05 |
![]() |
![]() PWR SUP AC-DC 6-48V 1.05A 50.4W |
![]() Data Sheet |
![]()
|
|
||||||||||||
![]() |
![]() ALC60-48-1R05 |
![]() TDK-Lambda |
![]() Linear and Switching Power Supplies 50.4W 6V-48V 1.05A LED Driver CC |
![]() Data Sheet |
![]()
|
|
||||||||||||
![]() |
![]() ALC655 |
![]() Other |
![]() |
![]() Data Sheet |
![]() Negotiable |
|
||||||||||||
![]() |
![]() ALC658 |
![]() Other |
![]() |
![]() Data Sheet |
![]() Negotiable |
|
||||||||||||
(China (Mainland))










