Product Summary
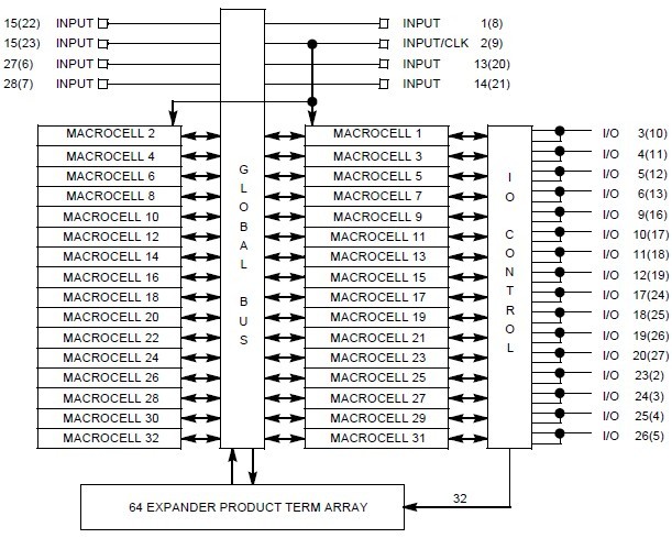
The CY7C344-25JC represents the densest EPLD of this size. Eight dedicated inputs and 16 bidirectional I/O pins communicate to one logic array block. In the CY7C344-25JC LAB there are 32 macrocells and 64 expander product terms. When an I/O macrocell is used as an input, two expanders are used to create an input path. Even if all of the I/O pins are driven by macrocell registers, there are still 16 buried registers available. All inputs, macrocells, and I/O pins are interconnected within the LAB. The speed and density of the CY7C344-25JC makes it a natural for all types of applications. With just this one device, the designer can implement complex state machines, registered logic, and combinatorial glue logic, without using multiple chips. This architectural flexibility allows the CY7C344-25JC to replace multichip TTL solutions, whether they are synchronous, asynchronous, combinatorial, or all three.
Parametrics
CY7C344-25JC absolute maximum ratings: (1)Storage Temperature: –65℃ to +150℃; (2)Ambient Temperature with Power Applied: 0℃ to +70℃; (3)Maximum Junction Temperature (Under Bias): 150℃; (4)Supply Voltage to Ground Potential: –2.0V to +7.0V; (5)Maximum Power Dissipation: 1500 mW; (6)DC VCC or GND Current: 500 mA; (7)Static Discharge Voltage; (8)(per MIL-STD-883, Method 3015): >2001V; (9)DC Output Current, per Pin: -25 mA to +25 mA; (10)DC Input Voltage: -3.0V to +7.0V; (11)DC Program Voltage: +13.0V.
Features
CY7C344-25JC features: (1)High-performance, high-density replacement for TTL, 74HC, and custom logic; (2)32 macrocells, 64 expander product terms in one LAB; (3)8 dedicated inputs, 16 I/O pins; (4)0.8-micron double-metal CMOS EPROM technology; (5)28-pin, 300-mil DIP, cerDIP or 28-pin HLCC, PLCC package.
Diagrams

![]() |
![]() CY7C006 |
![]() Other |
![]() |
![]() Data Sheet |
![]() Negotiable |
|
||||||||||||
![]() |
![]() CY7C006A |
![]() Other |
![]() |
![]() Data Sheet |
![]() Negotiable |
|
||||||||||||
![]() |
![]() CY7C006A-15AXC |
![]() Cypress Semiconductor |
![]() SRAM 5V 16Kx8 COM Dual Port SRAM |
![]() Data Sheet |
![]() Negotiable |
|
||||||||||||
![]() |
![]() CY7C006A-15AXCT |
![]() Cypress Semiconductor |
![]() SRAM 5V 16Kx8 COM Dual Port SRAM |
![]() Data Sheet |
![]() Negotiable |
|
||||||||||||
![]() |
![]() CY7C006A-20AC |
![]() |
![]() IC SRAM 16KX8 DUAL 64LQFP |
![]() Data Sheet |
![]() Negotiable |
|
||||||||||||
![]() |
![]() CY7C006A-20AXC |
![]() Cypress Semiconductor |
![]() SRAM 5V 16Kx8 COM Dual Port SRAM |
![]() Data Sheet |
![]()
|
|
||||||||||||
(China (Mainland))










