Product Summary
The LM124J is a Low Power Quad Operational Amplifier. The LM124J consists of four independent, high gain, internally frequency compensated operational amplifiers which were designed specifically to operate from a single power supply over a wide range of voltages. Operation from split power supplies is also possible and the low power supply current drain is independent of the magnitude of the power supply voltage.
Parametrics
LM124J absolute maximum ratings: (1)Supply Voltage, V+: 32Vdc or +16Vdc; (2)Differential Input Voltage: 32Vdc; (3)Input Voltage: -0.3Vdc to +32Vdc; (4)Input Current (VIN < -0.3Vdc): 50 mA; (5)Power Dissipation: 1260mW; (6)Output Short-Circuit to GND (One Amplifier), V+≤ 15Vdc and TA = 25℃: Continuous; (7)Operating Temperature Range: -55℃ ≤ TA ≤ +125℃; (8)Maximum Junction Temperature: 150℃; (9)Storage Temperature Range: -65℃ ≤ TA ≤ +150℃; (10)Lead Temperature (Soldering, 10 seconds): 260℃; (11)Thermal Resistance ThetaJA: 103℃/W; (12)ESD Tolerance: 250V.
Features
LM124J features: (1)Internally frequency compensated for unity gain; (2)Large DC voltage gain 100 dB; (3)Wide bandwidth (unity gain) 1 MHz (temperature compensated); (4)Wide power supply range: Single supply 3V to 32V or dual supplies ±1.5V to ±16V; (5)Very low supply current drain (700 μA)—essentially independent of supply voltage; (6)Low input biasing current 45 nA (temperature compensated); (7)Low input offset voltage 2 mV and offset current: 5 nA; (8)Input common-mode voltage range includes ground; (9)Differential input voltage range equal to the power supply voltage; (10)Large output voltage swing 0V to V+-1.5V.
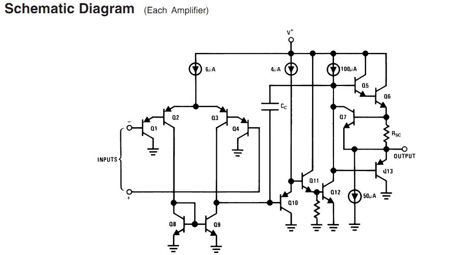
Diagrams

| Image | Part No | Mfg | Description | ![]() |
Pricing (USD) |
Quantity | ||||||||||||
|---|---|---|---|---|---|---|---|---|---|---|---|---|---|---|---|---|---|---|
![]() |
![]() LM124J |
![]() National Semiconductor (TI) |
![]() Operational Amplifiers - Op Amps |
![]() Data Sheet |
![]() Negotiable |
|
||||||||||||
![]() |
![]() LM124J/PB |
![]() National Semiconductor (TI) |
![]() Operational Amplifiers - Op Amps QUAD OP AMP |
![]() Data Sheet |
![]()
|
|
||||||||||||
(China (Mainland))










